UnifapUF3.436Polia rígida do alternador Bosch Volkswagen CrossFox Fox Gol G2 G3 G4 G5 Parati Polo Saveiro Voyage
Descrição
Polia rígida nova.
A polia é a responsável por transmitir a energia mecânica para os componentes do alternador, que transformam o movimento em energia elétrica.
Informações Técnicas
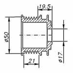
| Número de canais | 6 canais |
|---|---|
| Diâmetro externo | 55.00 mm |
| Diâmetro do eixo | 17.00 mm |
| Largura da chaveta | Sem chaveta |
| Altura total dos canais | 21.00 mm |
| Altura total | 42.40 mm |
| Diâm. externo canais | 50.00 mm |
Informações do Produto
| Marca fabricante | Unifap |
|---|---|
| Fabricante original | Bosch |
| Conteúdo da embalagem | 1 (uma) polia nova |
Linhas de Aplicação
Marcas e veículos em que este produto é aplicável.
| Volkswagen (carros) | CrossFox 1.6 TotalFlex Fox 1.0 TotalFlex Fox 1.6 TotalFlex Gol 1.6 TotalFlex Gol II 1.0 Mi Gol II 1.0 Mi Special Gol III 1.0 Mi Gol III 1.0 Mi Turbo Gol III 1.0 Mi TotalFlex Gol IV 1.0 Gol IV 1.0 Ecomotion Gol IV 1.0 TotalFlex Gol V 1.0 TotalFlex Gol V 1.6 TotalFlex Gol VI 1.6 TotalFlex Golf III 2.0 Mi Parati II 1.0 Mi Parati III 1.0 Mi Parati III 1.0 Mi Turbo Polo 1.6 TotalFlex Saveiro 1.6 TotalFlex SpaceCross 1.6 TotalFlex SpaceFox 1.6 TotalFlex Voyage 1.0 Flex Voyage 1.0 TotalFlex Voyage 1.6 Flex Voyage 1.6 TotalFlex |
|---|
Códigos Equivalentes
Códigos originais deste produto por outras fabricantes.
| Bosch | F000BL1031 |
|---|